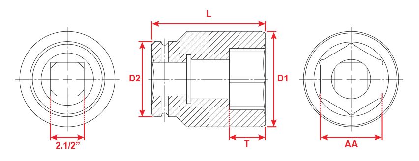
- 2.1/2’’ kare sürücülü havalı ağır lokmalar
- 60 – 180mm anahtar ağzı ölçülerini kapsar
- M39-M130 saplamalara kadar uyumlu modeller
- Uygulamaya göre standart ve uzun lokma seçenekleri
- Standart dışı ve inç ölçüde özel imalat imkanı
- Ağır endüstriyel uygulamalar için idealdir
- Elektrikli, akülü ve hidrolik tork anahtarlarına uygun
- Çatlak kontrollü ıslahlı çelikten imal ve ısıl işlemli
| Altı Köşe | Standart Lokma | D1 | D2 | L | T Min | Ağırlık | Uzun Lokma | L | Ağırlık |
| AA | Kod | mm | mm | mm | mm | kg | Kod | mm | kg |
| 60 | IS64M-60 | 104 | 127 | 115 | 33 | 7 | IS64M-60L | 192 | 11 |
| 65 | IS64M-65 | 104 | 127 | 115 | 35 | 7 | IS64M-65L | 192 | 11 |
| 70 | IS64M-70 | 104 | 127 | 115 | 38 | 7 | IS64M-70L | 192 | 11 |
| 75 | IS64M-75 | 115 | 127 | 125 | 41 | 7,6 | IS64M-75L | 192 | 11 |
| 80 | IS64M-80 | 115 | 127 | 125 | 44 | 7,6 | IS64M-80L | 192 | 11 |
| 85 | IS64M-85 | 127 | 127 | 130 | 47 | 8 | IS64M-85L | 192 | 11 |
| 90 | IS64M-90 | 135 | 127 | 132 | 49 | 8,1 | IS64M-90L | 192 | 12,5 |
| 95 | IS64M-95 | 140 | 127 | 132 | 49 | 8,2 | IS64M-95L | 192 | 13 |
| 100 | IS64M-100 | 145 | 127 | 141 | 54 | 9 | IS64M-100L | 198 | 14 |
| 105 | IS64M-105 | 150 | 127 | 141 | 54 | 9,6 | IS64M-105L | 198 | 15,5 |
| 110 | IS64M-110 | 160 | 127 | 150 | 62 | 11 | IS64M-110L | 207 | 17 |
| 115 | IS64M-105 | 165 | 127 | 150 | 62 | 11,5 | IS64M-105L | 207 | 18 |
| 120 | IS64M-120 | 170 | 127 | 158 | 67 | 12 | IS64M-120L | 215 | 19 |
| 125 | IS64M-125 | 170 | 127 | 158 | 67 | 12 | IS64M-125L | 215 | 19 |
| 135 | IS64M-135 | 190 | 127 | 174 | 76 | 17 | IS64M-135L | 231 | 22 |
| 140 | IS64M-140 | 190 | 127 | 176 | 79 | 17 | IS64M-140L | 234 | 22 |
| 145 | IS64M-145 | 200 | 150 | 182 | 83 | 20 | IS64M-145L | 240 | 26 |
| 150 | IS64M-150 | 210 | 150 | 190 | 88 | 22 | IS64M-150L | 248 | 30 |
| 155 | IS64M-155 | 210 | 150 | 190 | 88 | 22 | IS64M-155L | 248 | 30 |
| 160 | IS64M-160 | 220 | 150 | 194 | 91 | 23 | IS64M-160L | 252 | 33 |
| 165 | IS64M-165 | 230 | 175 | 201 | 94 | 30 | IS64M-165L | 260 | 38 |
| 170 | IS64M-170 | 230 | 175 | 201 | 94 | 30 | IS64M-170L | 260 | 38 |
| 175 | IS64M-175 | 240 | 175 | 208 | 99 | 32 | IS64M-175L | 264 | 41 |
| 180 | IS64M-180 | 240 | 175 | 214 | 104 | 32 | IS64M-180L | 272 | 41 |
Click to rate this post!
[Total: 1 Average: 5]
You must sign in to vote


