- 20-200 ton seçenekli 700 bar hidrolik silindirler
- Tonajına göre farklı stroke (kurs boyu) seçeneği
- Çift etkili, hidrolik yağ ile geri dönüşlü sistem
- Yüksek kaliteli, çatlak kontrollü 4140 çelikten imal
- Bulon çekme ve germe işlemleri ideal tasarım
- Yatay ya da ters her yönde çalışmaya uygun
- Sisteme dahil emniyet valfi ile güvenli çalışma imkânı
- 2 yıl garantili, Türkiye’de yedek parça ve servis
NDH Serisi 700 Bar Çift Etkili Delikli Silindirler
Hidrolik Dönüşlü Çift Etkili Delikli Silindirler
NDH Serisi 700 bar çift etkili delikli silindirler çekme-germe ve itme işlemleri için idealdir. Özellike çekme-germe mesafesi fazla olan uygulamalarda tercih edilen çift etkili silindirler hem kaldırma kapasitesi hem de stroke uzunluğu ile çözüm sunar.
Çift etkili krikolarda geri dönüş yay ile değil hidrolik yağ ile olur. Yay dönüşlü silindirlere göre daha hızlı kapanan çift etkili silindirler işlem sırasında zaman kazandır ancak bu durum kullanılan hidrolik pompaya da bağlıdır. Eğer çift etkili silindir el pompası ile kullanılıyorsa işlemin hızı oldukça yavaşlar. Bu nedenle çift etkili silindirler genellikle 60 ton üzeri kapasitelerde tercih edilir ve elektrikli hidrolik pompa ile kumanda edilir.
İhtiyacınız olan kaldırma kapasitesi ve mesafe fazlaysa NDH serisi çift etkili silindirler sizin için ideal çözüm olacaktır.
| Model | Kapasite (TON) | Stroke | Delik Çapı | Etki Alanı cm² | Yağ Hacmi | Kapalı Boy | Ağırlık | ||
| No | Kaldırma | Çekme | mm | mm | Kaldırma | Çekme | cm³ | mm | kg |
| 20 TON SİLİNDİRLER | |||||||||
| NDH020100 | 20 (24) | 14,2 | 100 | 27 | 34,5 | 20,4 | 346 | 230 | 10,4 |
| NDH020150 | 20 (24) | 14,2 | 150 | 27 | 34,5 | 20,4 | 519 | 280 | 12,5 |
| 30 TON SİLİNDİRLER | |||||||||
| NDH030050 | 30 (33) | 17,5 | 50 | 34 | 47,7 | 25,1 | 239 | 185 | 12,5 |
| NDH030100 | 30 (33) | 17,5 | 100 | 34 | 47,7 | 25,1 | 477 | 235 | 15,5 |
| NDH030150 | 30 (33) | 17,5 | 150 | 34 | 47,7 | 25,1 | 716 | 290 | 19 |
| 40 TON SİLİNDİRLER | |||||||||
| NDH040050 | 40 (44) | 24 | 50 | 34 | 62,6 | 34,4 | 314 | 150 | 14,5 |
| 60 TON SİLİNDİRLER | |||||||||
| NDH060100 | 60 (66) | 37,9 | 100 | 56 | 94,2 | 54,2 | 942 | 275 | 39 |
| NDH060150 | 60 (66) | 37,9 | 150 | 56 | 94,2 | 54,2 | 1413 | 330 | 46 |
| NDH060200 | 60 (66) | 37,9 | 200 | 56 | 94,2 | 54,2 | 1884 | 380 | 52,1 |
| NDH060250 | 60 (66) | 37,9 | 250 | 56 | 94,2 | 54,2 | 2355 | 445 | 60,8 |
| NDH060300 | 60 (66) | 37,9 | 300 | 56 | 94,2 | 54,2 | 2826 | 495 | 67,1 |
| 100 TON SİLİNDİRLER | |||||||||
| NDH100050 | 100 (104) | 58,6 | 50 | 81 | 148,4 | 83,8 | 742 | 245 | 56,8 |
| NDH100100 | 100 (104) | 58,6 | 100 | 81 | 148,4 | 83,8 | 1484 | 295 | 67 |
| NDH100150 | 100 (104) | 58,6 | 150 | 81 | 148,4 | 83,8 | 2226 | 355 | 79,6 |
| 150 TON SİLİNDİRLER | |||||||||
| NDH150150 | 150 (165) | 85,7 | 150 | 81 | 235,5 | 122,5 | 3533 | 370 | 122,7 |
| 200 TON SİLİNDİRLER | |||||||||
| NDH200150 | 200 (198) | 112,7 | 150 | 102 | 282,6 | 161 | 4239 | 380 | 165,6 |
Larzep, Enerpac ve SPX Powerteam gibi markalara birebir muadil olan yerli imalat silindirlerimiz 2 yıl garantiye sahiptir.
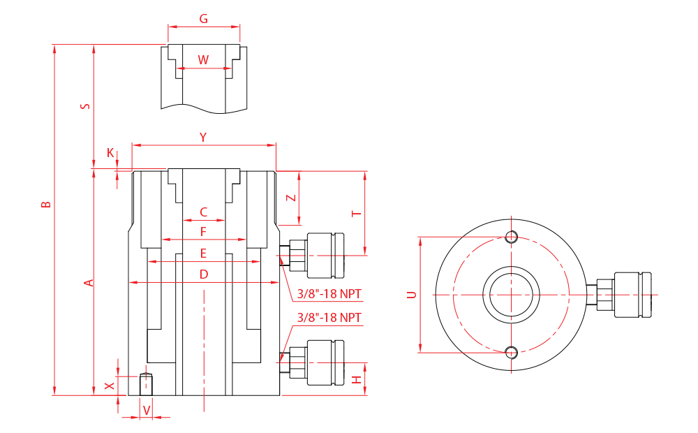
| Model | Stroke | Ölçüler (mm) | Ağırlık | |||||||||||||||
| No | S (mm) | A | B | C | D | E | F | G | H | K | T | U | V | X | W | Y (inch-mm) | Z | kg |
| 20 TON SİLİNDİRLER | ||||||||||||||||||
| NDH020100 | 100 | 230 | 330 | 27 | 100 | 75 | 55 | 45 | 23 | 3 | 59 | 83 | M10 | 15 | M35x2 | 3 7/8”-12 | 42 | 10,4 |
| NDH020150 | 150 | 280 | 430 | 27 | 100 | 75 | 55 | 45 | 23 | 3 | 59 | 83 | M10 | 15 | M35x2 | 3 7/8”-12 | 42 | 12,5 |
| 30 TON SİLİNDİRLER | ||||||||||||||||||
| NDH030050 | 50 | 185 | 235 | 34 | 120 | 90 | 70 | 57 | 23 | 2 | 63 | 92 | M10 | 15 | M45x2,5 | 4 1/2”-12 | 43 | 12,5 |
| NDH030100 | 100 | 235 | 335 | 34 | 120 | 90 | 70 | 57 | 23 | 2 | 63 | 92 | M10 | 15 | M45x2,5 | 4 1/2”-12 | 43 | 15,5 |
| NDH030150 | 150 | 290 | 440 | 34 | 120 | 90 | 70 | 57 | 23 | 2 | 63 | 92 | M10 | 15 | M45x2,5 | 4 1/2”-12 | 43 | 19 |
| 40 TON SİLİNDİRLER | ||||||||||||||||||
| NDH040050 | 50 | 150 | 200 | 34 | 138 | 100 | 75 | 57 | 23 | 3 | 41 | 92 | M10 | 15 | M45x2,5 | – | – | 14,5 |
| 60 TON SİLİNDİRLER | ||||||||||||||||||
| NDH060100 | 100 | 275 | 375 | 56 | 175 | 130 | 100 | 82 | 32 | 4 | 79 | 130 | M12 | 20 | M70x2,5 | 6 3/4″-12 | 55 | 39 |
| NDH060150 | 150 | 330 | 480 | 56 | 175 | 130 | 100 | 82 | 32 | 4 | 79 | 130 | M12 | 20 | M70x2,5 | 6 3/4″-12 | 55 | 46 |
| NDH060200 | 200 | 380 | 580 | 56 | 175 | 130 | 100 | 82 | 32 | 4 | 79 | 130 | M12 | 20 | M70x2,5 | 6 3/4″-12 | 55 | 52,1 |
| NDH060250 | 250 | 445 | 695 | 56 | 175 | 130 | 100 | 82 | 32 | 4 | 79 | 130 | M12 | 20 | M70x2,5 | 6 3/4″-12 | 55 | 60,8 |
| NDH060300 | 300 | 495 | 795 | 56 | 175 | 130 | 100 | 82 | 32 | 4 | 79 | 130 | M12 | 20 | M70x2,5 | 6 3/4″-12 | 55 | 67,1 |
| 100 TON SİLİNDİRLER | ||||||||||||||||||
| NDH100050 | 50 | 245 | 295 | 81 | 225 | 170 | 135 | 115 | 40 | 4 | 88 | 178 | M16 | 20 | M95x3 | 8 1/2″-12 | 63 | 56,8 |
| NDH100100 | 100 | 295 | 395 | 81 | 225 | 170 | 135 | 115 | 40 | 4 | 88 | 178 | M16 | 20 | M95x3 | 8 1/2″-12 | 63 | 67 |
| NDH100150 | 150 | 355 | 505 | 81 | 225 | 170 | 135 | 115 | 40 | 4 | 88 | 178 | M16 | 20 | M95x3 | 8 1/2″-12 | 63 | 79,6 |
| 150 TON SİLİNDİRLER | ||||||||||||||||||
| NDH150150 | 150 | 370 | 520 | 81 | 265 | 200 | 160 | 125 | 50 | 5 | 95 | 220 | M20 | 25 | M100x3 | 10”-12 | 65 | 122,7 |
| 200 TON SİLİNDİRLER | ||||||||||||||||||
| NDH200150 | 150 | 380 | 530 | 102 | 305 | 230 | 180 | 155 | 53 | 5 | 95 | 250 | M20 | 25 | M130x3 | – | – | 165,6 |






