- 30-150 ton seçenekli 700 bar hidrolik silindirler
- 50-150 mm arası stroke (kurs boyu) seçeneği
- Tek etkili, yay dönüşlü gelişmiş hidrolik sistem
- Çelik krikolara göre %40 daha hafiftir, kolay taşınır
- Yatay ya da ters her yönde çalışmaya uygun
- Piston sistemi paslanmaya karşı özel kaplamalı
- 2 yıl garantili, Türkiye’de yedek parça ve servis
NSA Serisi Yay Dönüşlü Alüminyum Silindirler
Hafif ve Ergonomik Alüminyum Silindirler
NSA Serisi 700 bar hidrolik silindirler, Netratek’in standart alüminyum krikolarını tamınlar. Alüminyum krikolar, çelik krikolara göre daha hafiftir. Taşıma ve kullanma kolaylığı sağlayan bu hidrolik silindirler 30 ton ve 150 ton aralığında çeşitlere sahiptir.
NSA serisi alüminyum silindirler yüksek kalitede alüminyum ve en iyi keçe takımlarıyla imal edilir. 2 yıl garantili ürünlerimizin servis hizmeti de firmamız tarafından sağlanmaktadır.
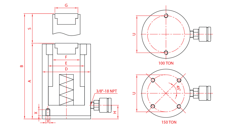
| Model | Kapasite | Stroke | Etki Alanı | Yağ Hacmi | Kapalı Boy | Dış Çap | Ağırlık | E | F | G | H | U | V | X |
| No. | Ton | S (mm) | cm³ | cm² | A (mm) | D (mm) | Kg | mm | mm | mm | mm | mm | mm | mm |
| NSA030050 | 30 (31) | 50 | 44,2 | 307 | 165 | 110 | 4,4 | 75 | 60 | 45 | 31 | 80 | M12 | 15 |
| NSA030100 | 30 (31) | 100 | 44,2 | 581 | 220 | 110 | 5,7 | 75 | 60 | 45 | 31 | 80 | M12 | 15 |
| NSA030150 | 30 (31) | 150 | 44,2 | 869 | 290 | 110 | 7,5 | 75 | 60 | 45 | 31 | 80 | M12 | 15 |
| NSA050050 | 50 (55) | 50 | 78,5 | 506 | 180 | 145 | 8,6 | 100 | 80 | 57 | 38 | 115 | M12 | 15 |
| NSA050100 | 50 (55) | 100 | 78,5 | 961 | 230 | 145 | 10,6 | 100 | 80 | 57 | 38 | 115 | M12 | 15 |
| NSA050150 | 50 (55) | 150 | 78,5 | 1442 | 300 | 145 | 13,5 | 100 | 80 | 57 | 38 | 115 | M12 | 15 |
| NSA100050 | 100 (108) | 50 | 153,9 | 1078 | 210 | 205 | 21,5 | 140 | 120 | 100 | 50 | 170 | M16 | 20 |
| NSA100100 | 100 (108) | 100 | 153,9 | 1998 | 260 | 205 | 25,7 | 140 | 120 | 100 | 50 | 170 | M16 | 20 |
| NSA100150 | 100 (108) | 150 | 153,9 | 2978 | 340 | 205 | 33 | 140 | 120 | 100 | 50 | 170 | M16 | 20 |
| NSA150100 | 150 (159) | 100 | 226,9 | 4179 | 300 | 245 | 42,9 | 170 | 150 | 125 | 65 | 180 | M20 | 25 |
| NSA150150 | 150 (159) | 150 | 226,9 | 4440 | 355 | 245 | 49,8 | 170 | 150 | 125 | 65 | 180 | M20 | 25 |
Tamamlayıcı Ekipmanlar
Click to rate this post!
[Total: 2 Average: 5]
You must sign in to vote






