- 5-150 ton seçenekli 700 bar hidrolik silindirler
- 15-350 mm arası stroke (kurs boyu) seçeneği
- Tek etkili, yay dönüşlü gelişmiş hidrolik sistem
- Yüksek kaliteli çatlak kontrollü 4140 çelikten imal
- Yatay ya da ters her yönde çalışmaya uygun
- Endüstriyel ağır işlere dayanıklı sağlam yapı
- Diş açılmış montaj bağlantıları ve taban delikleri
- Piston sistemi paslanmaya karşı krom kaplamalı
- 2 yıl garantili, Türkiye’de yedek parça ve servis
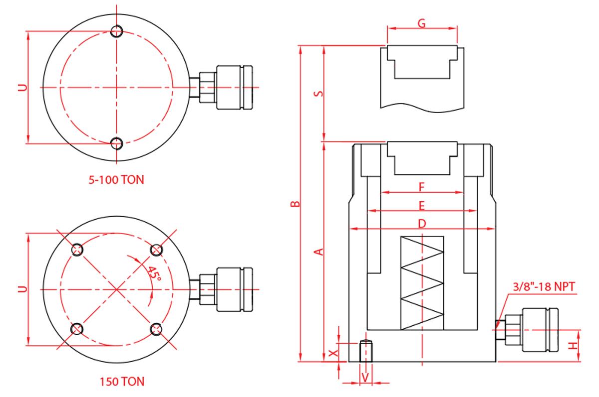
NSS Serisi 700 Bar Hidrolik Silindirler
Tek Etkili Yay Dönüşlü Hidrolik Krikolar
NSS Serisi 700 bar hidrolik silindirler, Netratek’in standart tip genel kullanım krikolarını tamınlar. Larzep, Enerpac ve SPX Powerteam gibi markalara muadil olan yerli imalat silindirlerimiz 2 yıl garantiye ve CE belgesine sahiptir.
Yüksek kalitede çatlak kontrollü çelik ve en iyi keçe takımlarıyla imal edilir. 5 ile 150 tonda standart imalatı olan NSS serisi 700 bar hidrolik krikolar hem ekonomik hem de kaliteli çözüm sunar.
Ayrıca spesifik uygulamalar için 2.200 tona kadar özel tasarım silindir imalatı da yapılabilmektedir. Özel silindir ihtiyaçlarınız için bizimle irtibata geçebilirsiniz.
| Model | Kapasite | Strok | Etki Alanı | Yağ Hacmi | Kapalı Boy | Dış Çap | Ağırlık | E | F | G | H | U | V | X |
| No. | Ton | S (mm) | cm³ | cm² | A (mm) | D (mm) | Kg | mm | mm | mm | mm | mm | mm | mm |
| NSS005015 | 5 (5) | 15 | 7,1 | 21 | 100 | 42 | 0,9 | 30 | 25 | 25 | 19 | 28 | M6 | 12 |
| NSS005025 | 5 (5) | 25 | 7,1 | 30 | 110 | 42 | 1 | 30 | 25 | 25 | 19 | 28 | M6 | 12 |
| NSS005050 | 5 (5) | 50 | 7,1 | 52 | 135 | 42 | 1,2 | 30 | 25 | 25 | 19 | 28 | M6 | 12 |
| NSS005075 | 5 (5) | 75 | 7,1 | 74 | 160 | 42 | 1,4 | 30 | 25 | 25 | 19 | 28 | M6 | 12 |
| NSS005100 | 5 (5) | 100 | 7,1 | 98 | 195 | 42 | 1,7 | 30 | 25 | 25 | 19 | 28 | M6 | 12 |
| NSS005125 | 5 (5) | 125 | 7,1 | 120 | 220 | 42 | 2 | 30 | 25 | 25 | 19 | 28 | M6 | 12 |
| NSS005150 | 5 (5) | 150 | 7,1 | 142 | 245 | 42 | 2,2 | 30 | 25 | 25 | 19 | 28 | M6 | 12 |
| NSS005175 | 5 (5) | 175 | 7,1 | 164 | 270 | 42 | 2,3 | 30 | 25 | 25 | 19 | 28 | M6 | 12 |
| NSS005200 | 5 (5) | 200 | 7,1 | 186 | 295 | 42 | 2,5 | 30 | 25 | 25 | 19 | 28 | M6 | 12 |
| NSS010025 | 10 (11) | 25 | 15,9 | 64 | 120 | 60 | 2,1 | 45 | 36 | 29 | 19 | 39 | M8 | 12 |
| NSS010050 | 10 (11) | 50 | 15,9 | 113 | 145 | 60 | 2,6 | 45 | 36 | 29 | 19 | 39 | M8 | 12 |
| NSS010075 | 10 (11) | 75 | 15,9 | 162 | 170 | 60 | 3 | 45 | 36 | 29 | 19 | 39 | M8 | 12 |
| NSS010100 | 10 (11) | 100 | 15,9 | 211 | 195 | 60 | 3,3 | 45 | 36 | 29 | 19 | 39 | M8 | 12 |
| NSS010150 | 10 (11) | 150 | 15,9 | 314 | 255 | 60 | 4,3 | 45 | 36 | 29 | 19 | 39 | M8 | 12 |
| NSS010200 | 10 (11) | 200 | 15,9 | 412 | 305 | 60 | 5,2 | 45 | 36 | 29 | 19 | 39 | M8 | 12 |
| NSS010250 | 10 (11) | 250 | 15,9 | 511 | 355 | 60 | 6 | 45 | 36 | 29 | 19 | 39 | M8 | 12 |
| NSS010300 | 10 (11) | 300 | 15,9 | 609 | 405 | 60 | 6,8 | 45 | 36 | 29 | 19 | 39 | M8 | 12 |
| NSS010350 | 10 (11) | 350 | 15,9 | 708 | 455 | 60 | 7,7 | 45 | 36 | 29 | 19 | 39 | M8 | 12 |
| NSS015025 | 15 (17) | 25 | 23,7 | 80 | 110 | 75 | 3,3 | 55 | 45 | 34 | 22 | 58 | M8 | 10 |
| NSS015050 | 15 (17) | 50 | 23,7 | 145 | 135 | 75 | 3,9 | 55 | 45 | 34 | 22 | 58 | M8 | 10 |
| NSS015075 | 15 (17) | 75 | 23,7 | 215 | 160 | 75 | 4,6 | 55 | 45 | 34 | 22 | 58 | M8 | 10 |
| NSS015100 | 15 (17) | 100 | 23,7 | 290 | 195 | 75 | 5,5 | 55 | 45 | 34 | 22 | 58 | M8 | 10 |
| NSS015150 | 15 (17) | 150 | 23,7 | 430 | 270 | 75 | 7,6 | 55 | 45 | 34 | 28 | 42 | M8 | 10 |
| NSS020025 | 20 (23) | 25 | 33,2 | 129 | 120 | 90 | 5,1 | 65 | 55 | 38 | 20 | 65 | M10 | 12 |
| NSS020050 | 20 (23) | 50 | 33,2 | 229 | 145 | 90 | 6,1 | 65 | 55 | 38 | 20 | 65 | M10 | 12 |
| NSS020100 | 20 (23) | 100 | 33,2 | 432 | 205 | 90 | 8,5 | 65 | 55 | 38 | 20 | 65 | M10 | 12 |
| NSS020150 | 20 (23) | 150 | 33,2 | 640 | 265 | 90 | 10,9 | 65 | 55 | 38 | 20 | 56 | M10 | 12 |
| NSS020200 | 20 (23) | 200 | 33,2 | 849 | 325 | 90 | 13,4 | 65 | 55 | 38 | 20 | 56 | M10 | 12 |
| NSS030050 | 30 (31) | 50 | 44,2 | 306 | 160 | 100 | 8,1 | 75 | 60 | 45 | 27 | 70 | M12 | 15 |
| NSS030100 | 30 (31) | 100 | 44,2 | 584 | 220 | 100 | 10,9 | 75 | 60 | 45 | 27 | 70 | M12 | 15 |
| NSS030150 | 30 (31) | 150 | 44,2 | 863 | 280 | 100 | 13,8 | 75 | 60 | 45 | 27 | 70 | M12 | 15 |
| NSS030200 | 30 (31) | 200 | 44,2 | 1141 | 340 | 100 | 16,6 | 75 | 60 | 45 | 27 | 70 | M12 | 15 |
| NSS050050 | 50 (55) | 50 | 78,5 | 506 | 160 | 135 | 15,3 | 100 | 80 | 57 | 28 | 110 | M12 | 15 |
| NSS050100 | 50 (55) | 100 | 78,5 | 974 | 220 | 135 | 20,5 | 100 | 80 | 57 | 28 | 110 | M12 | 15 |
| NSS050150 | 50 (55) | 150 | 78,5 | 1454 | 300 | 135 | 27,9 | 100 | 80 | 57 | 28 | 110 | M12 | 15 |
| NSS050200 | 50 (55) | 200 | 78,5 | 1909 | 350 | 135 | 32,2 | 100 | 80 | 57 | 28 | 110 | M12 | 15 |
| NSS080050 | 80 (80) | 50 | 113 | 789 | 180 | 160 | 24,3 | 120 | 100 | 82 | 32 | 125 | M14 | 15 |
| NSS080100 | 80 (80) | 100 | 113 | 1481 | 240 | 160 | 31,8 | 120 | 100 | 82 | 32 | 125 | M14 | 15 |
| NSS080150 | 80 (80) | 150 | 113 | 2195 | 310 | 160 | 40,9 | 120 | 100 | 82 | 32 | 125 | M14 | 15 |
| NSS100050 | 100 (108) | 50 | 153,9 | 1102 | 195 | 185 | 35,1 | 140 | 120 | 100 | 37 | 150 | M16 | 20 |
| NSS100100 | 100 (108) | 100 | 153,9 | 2007 | 250 | 185 | 44,4 | 140 | 120 | 100 | 37 | 150 | M16 | 20 |
| NSS100150 | 100 (108) | 150 | 153,9 | 2969 | 315 | 185 | 56 | 140 | 120 | 100 | 37 | 150 | M16 | 20 |
| NSS150100 | 150 (159) | 100 | 226,9 | 3076 | 275 | 225 | 74,5 | 170 | 150 | 125 | 47 | 180 | M20 | 25 |
| NSS150150 | 150 (159) | 150 | 226,9 | 4406 | 335 | 225 | 90,3 | 170 | 150 | 125 | 47 | 180 | M20 | 25 |
| NSS150250 | 150 (159) | 250 | 226,9 | 7155 | 435 | 225 | 115,5 | 170 | 150 | 125 | 47 | 180 | M20 | 25 |
Tamamlayıcı Ekipmanlar
Click to rate this post!
[Total: 3 Average: 5]
You must sign in to vote








