- 30-150 ton seçenekli 700 bar kilit somunlu silindirler
- 50-300 mm arası stroke (kurs boyu) seçeneği
- Tek etkili, yay dönüşlü gelişmiş hidrolik sistem
- Mekanik kilitli piston ile uzun süre yük altında bekleme
- Lock-nut silindirler yatay ya da ters her yönde çalışmaya uygun
- Sertleştirilmiş oynar başlık opsiyoneldir (5o açılı)
- Endüstriyel ağır işlere/koşullara dayanıklı sağlam yapı
- Köprü kaldırma, villa kaldırma, bina kaldırma için ideal
- 2 yıl garantili, Türkiye’de yedek parça ve servis
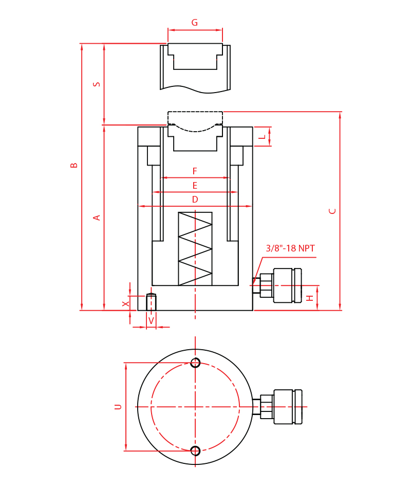
NLN Serisi 700 Bar Kilit Somunlu Silindirler (Lock-Nut Kriko)
Netratek’ten Yerli İmalat Kilit Somunlu Silindirler
NLN Serisi 700 bar kilit somunlu silindirler yük altında uzun süre kalabilen hidrolik ekipmanlardır. Kriko ile kaldırma işlemi yapıldıktan sonra mekanik somun sonuna kadar sıkılır ve yük hidrolik sistemden mekanik kilit (lock-nut) üzerine verilmiş olur. Dolayısıyla daha güvenli bir çalışma ortamı sağlanır.
Özellike köprü kaldırma projelerinde kullanılan bu hidrolik krikolar en ağır şartlarda bile uzun süre kullanılabilir. Yüksek kalitede çelik malzeme ve en iyi keçe takımlarıyla imal edilir. 30 – 150 ton arasında standart imalatı olan kilit somunlu silindirler spesifik işlere özel ölçülerde de imal edilebilmektedir.
Larzep, Enerpac ve SPX Powerteam gibi markalara birebir muadil olan yerli imalat silindirlerimiz 2 yıl garantiye sahiptir.
Mekanik kilitli silindirler için bizimle irtibata geçip ücretsiz danışmanlık alabilirsiniz.
| Model | Kapasite | Stroke | Etki Alanı | Yağ Hacmi | Kapalı Boy | Dış Çap | Ağırlık | C | E | F | G | H | L | U | V | X |
| No. | Ton | S (mm) | cm³ | cm² | A (mm) | D (mm) | Kg | mm | mm | mm | mm | mm | mm | mm | mm | mm |
| NLN030050 | 30 (31) | 50 | 44,2 | 330 | 185 | 100 | 10 | 197 | 75 | TR 60×4 | 45 | 27 | 33 | 70 | M12 | 15 |
| NLN030100 | 30 (31) | 100 | 44,2 | 604 | 240 | 100 | 12,7 | 250 | 75 | TR 60×4 | 45 | 27 | 33 | 70 | M12 | 15 |
| NLN030150 | 30 (31) | 150 | 44,2 | 882 | 300 | 100 | 15,5 | 310 | 75 | TR 60×4 | 45 | 27 | 33 | 70 | M12 | 15 |
| NLN030200 | 30 (31) | 200 | 44,2 | 1151 | 350 | 100 | 16,9 | 360 | 75 | TR 60×4 | 45 | 27 | 33 | 70 | M12 | 15 |
| NLN050050 | 50 (55) | 50 | 78,5 | 531 | 195 | 135 | 19,6 | 206 | 100 | TR 85×4 | 57 | 28 | 35 | 85 | M12 | 15 |
| NLN050100 | 50 (55) | 100 | 78,5 | 986 | 245 | 135 | 24,1 | 256 | 100 | TR 85×4 | 57 | 28 | 35 | 85 | M12 | 15 |
| NLN050150 | 50 (55) | 150 | 78,5 | 1460 | 310 | 135 | 30,2 | 321 | 100 | TR 85×4 | 57 | 28 | 35 | 110 | M12 | 15 |
| NLN050200 | 50 (55) | 200 | 78,5 | 1916 | 360 | 135 | 34,6 | 371 | 100 | TR 85×4 | 57 | 28 | 35 | 110 | M12 | 15 |
| NLN050250 | 50 (55) | 250 | 78,5 | 2378 | 415 | 135 | 39,6 | 426 | 100 | TR 85×4 | 57 | 28 | 35 | 110 | M12 | 15 |
| NLN050300 | 50 (55) | 300 | 78,5 | 2833 | 465 | 135 | 44,1 | 476 | 100 | TR 85×4 | 57 | 28 | 35 | 110 | M12 | 15 |
| NLN100050 | 100 (108) | 50 | 153,9 | 1174 | 230 | 185 | 43,3 | 246 | 140 | TR 120×6 | 100 | 37 | 45 | 115 | M16 | 20 |
| NLN100100 | 100 (108) | 100 | 153,9 | 2094 | 280 | 185 | 51,8 | 296 | 140 | TR 120×6 | 100 | 37 | 45 | 115 | M16 | 20 |
| NLN100150 | 100 (108) | 150 | 153,9 | 3060 | 345 | 185 | 63,2 | 361 | 140 | TR 120×6 | 100 | 37 | 45 | 150 | M16 | 20 |
| NLN100200 | 100 (108) | 200 | 153,9 | 3996 | 400 | 185 | 72,6 | 416 | 140 | TR 120×6 | 100 | 37 | 45 | 150 | M16 | 20 |
| NLN100250 | 100 (108) | 250 | 153,9 | 4917 | 450 | 185 | 80,9 | 466 | 140 | TR 120×6 | 100 | 37 | 45 | 150 | M16 | 20 |
| NLN100300 | 100 (108) | 300 | 153,9 | 5898 | 520 | 185 | 93,3 | 536 | 140 | TR 120×6 | 100 | 37 | 45 | 150 | M16 | 20 |
| NLN150050 | 150 (159) | 50 | 226,9 | 1708 | 245 | 225 | 69,5 | 261 | 170 | TR 150×6 | 125 | 47 | 45 | 180 | M20 | 25 |
| NLN150100 | 150 (159) | 100 | 226,9 | 3153 | 310 | 225 | 86,6 | 326 | 170 | TR 150×6 | 125 | 47 | 45 | 180 | M20 | 25 |
| NLN150150 | 150 (159) | 150 | 226,9 | 4551 | 365 | 225 | 100,6 | 381 | 170 | TR 150×6 | 125 | 47 | 45 | 180 | M20 | 25 |
| NLN150200 | 150 (159) | 200 | 226,9 | 5925 | 415 | 225 | 113,1 | 431 | 170 | TR 150×6 | 125 | 47 | 45 | 180 | M20 | 25 |
| NLN150250 | 150 (159) | 250 | 226,9 | 7395 | 485 | 225 | 131,4 | 501 | 170 | TR 150×6 | 125 | 47 | 45 | 180 | M20 | 25 |
| NLN150300 | 150 (159) | 300 | 226,9 | 8768 | 535 | 225 | 144,1 | 551 | 170 | TR 150×6 | 125 | 47 | 45 | 180 | M20 | 25 |






