- 12-150 ton seçenekli 700 bar hidrolik delikli silindirler
- 25-150 mm arası stroke (kurs boyu) seçeneği
- Kapasitesine göre 21-81mm’ye kadar delik çapı
- Tek etkili, yay dönüşlü gelişmiş hidrolik sistem
- Yüksek kaliteli çatlak kontrollü 4140 çelikten imal
- Yatay ya da ters her yönde çalışmaya uygun
- Saplama, bulon, demir filizi çekme işlemleri için ideal
- Piston sistemi paslanmaya karşı krom kaplamalı
- 2 yıl garantili, Türkiye’de yedek parça ve servis
NSH Serisi 700 Bar Delikli Krikolar
NSH serisi silindirlerin pistonu boydan boya deliklidir. Delikli krikolar kaldırma işleminden ziyade çekme-germe işlerinde kullanılır. Özellikle bulon test cihazı olarak kullanılan delikli silindirler, inşaat sektöründe oldukça yoğun bir kullanıma sahiptir.
Delikli silindirler tonajına göre farklı delik çaplarına sahiptir. 21-81mm arası delik çapına sahip krikolar projede belirtilen çekme-germe yüküne göre seçilir. Tek etkili ve yay dönüşlü hidrolik sisteme sahip olan delikli silindirler hem yatay hem de ters yönde çalışabilmektedir. Eski tip yük dönüşlü krikolara göre daha hızlı çalışma imkanı sunar ve kullanımı daha kolaydır.
Yerli İmalat – CE Belgeli – Delikli Silindirler
NSH serisi delikli krikolar demir filizi, bulon ve saplama çekme-germe işlemleri için idealdir. Mukavemeti yüksek çelik ve en kaliteli keçeler kullanılarak imal edilen delikli silindirler 2 yıl garantiye sahiptir. Silindirlerimiz Larzep, Hi-Force, Enerpac, Yale, Eagle Pro, Power Team Spx, gibi markalara muadildir. Ürünler CE belgeli ve yerli üretimdir. Detaylı bilgi için bizimle iletişime geçebilirsiniz.
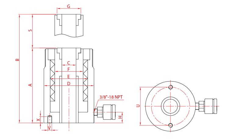
| Model | Kapasite | Stroke | Delik Çapı | Etki Alanı | Yağ Hacmi | Kapalı Boy | Dış Çap | Ağırlık | E | F | G | H | U | V | X |
| No. | Ton | S (mm) | C (mm) | cm³ | cm² | A (mm) | D (mm) | Kg | mm | mm | mm | mm | mm | mm | mm |
| NSH012025 | 10 (12) | 25 | 21 | 17,6 | 44 | 110 | 78 | 3,2 | 55 | 40 | 34 | 19 | 51 | M8 | 10 |
| NSH012040 | 10 (12) | 40 | 21 | 17,6 | 71 | 130 | 78 | 3,7 | 55 | 40 | 34 | 19 | 51 | M8 | 10 |
| NSH012080 | 10 (12) | 80 | 21 | 17,6 | 141 | 205 | 78 | 5,8 | 55 | 40 | 34 | 19 | 51 | M8 | 10 |
| NSH020050 | 20 (24) | 50 | 27 | 34,5 | 173 | 170 | 100 | 7,9 | 75 | 55 | 45 | 23 | 83 | M10 | 15 |
| NSH020100 | 20 (24) | 100 | 27 | 34,5 | 346 | 240 | 100 | 11 | 75 | 55 | 45 | 23 | 83 | M10 | 15 |
| NSH020150 | 20 (24) | 150 | 27 | 34,5 | 518 | 300 | 100 | 13,6 | 75 | 55 | 45 | 23 | 83 | M10 | 15 |
| NSH030050 | 30 (33) | 50 | 34 | 47,7 | 239 | 180 | 120 | 12,1 | 90 | 68 | 57 | 23 | 92 | M10 | 15 |
| NSH030100 | 30 (33) | 100 | 34 | 47,7 | 477 | 265 | 120 | 17,8 | 90 | 68 | 57 | 23 | 92 | M10 | 15 |
| NSH030150 | 30 (33) | 150 | 34 | 47,7 | 716 | 325 | 120 | 21,5 | 90 | 68 | 57 | 23 | 92 | M10 | 15 |
| NSH035050 | 35 (36) | 50 | 38 | 51,2 | 257 | 185 | 125 | 13,6 | 95 | 73 | 62 | 24 | 92 | M10 | 15 |
| NSH035100 | 35 (36) | 100 | 38 | 51,2 | 513 | 265 | 125 | 19,1 | 95 | 73 | 62 | 24 | 92 | M10 | 15 |
| NSH060050 | 60 (66) | 50 | 56 | 94,2 | 471 | 215 | 175 | 31 | 130 | 95 | 82 | 31 | 130 | M12 | 20 |
| NSH060075 | 60 (66) | 75 | 56 | 94,2 | 707 | 255 | 175 | 36,4 | 130 | 95 | 82 | 31 | 130 | M12 | 20 |
| NSH060150 | 60 (66) | 150 | 56 | 94,2 | 1413 | 340 | 175 | 46,8 | 130 | 95 | 82 | 31 | 130 | M12 | 20 |
| NSH080075 | 80 (80) | 75 | 73 | 113,1 | 848 | 260 | 200 | 47,3 | 150 | 115 | 102 | 35 | 170 | M14 | 20 |
| NSH080100 | 80 (80) | 100 | 73 | 113,1 | 1130 | 305 | 200 | 55,1 | 150 | 115 | 102 | 35 | 170 | M14 | 20 |
| NSH080150 | 80 (80) | 150 | 73 | 113,1 | 1696 | 355 | 200 | 63,5 | 150 | 115 | 102 | 35 | 170 | M14 | 20 |
| NSH100050 | 100 (104) | 50 | 81 | 148,4 | 742 | 250 | 225 | 57,7 | 170 | 130 | 115 | 40 | 178 | M16 | 20 |
| NSH100100 | 100 (104) | 100 | 81 | 148,4 | 1484 | 320 | 225 | 72,5 | 170 | 130 | 115 | 40 | 178 | M16 | 20 |
| NSH100150 | 100 (104) | 150 | 81 | 148,4 | 2226 | 405 | 225 | 85,6 | 170 | 130 | 115 | 40 | 178 | M16 | 20 |
| NSH150150 | 150 (165) | 150 | 81 | 235,5 | 3534 | 430 | 265 | 145 | 200 | 160 | 125 | 50 | 220 | M20 | 25 |








1 Yorum